What is a Shiatsu drum in a washing machine?
It seems with each new model, the interior walls of washing machine drums acquire increasingly intricate "patterns." If you look closely, you can actually see various indentations, ribbing, complex bulges, and so on. These elements play an important role in helping remove stains from fabrics. The Shiatsu drum in a washing machine has the best of this technology. What is it?
About Shiatsu technology
In fact, don't expect any stunning results from this new product. To even notice the difference, you need to closely examine the drum at a specific angle and in good lighting. Then, a subtle shimmer will become visible on the inner surface. This is a special coating that makes the drum's interior completely inert to any type of fabric.
Why is this necessary? In conventional drums, synthetic fabrics become electrified when they rub against a metal surface and then stick to the walls of the drum. This results in the fabric being subjected to intense friction during the spin cycle, causing damage and significantly reducing its lifespan.
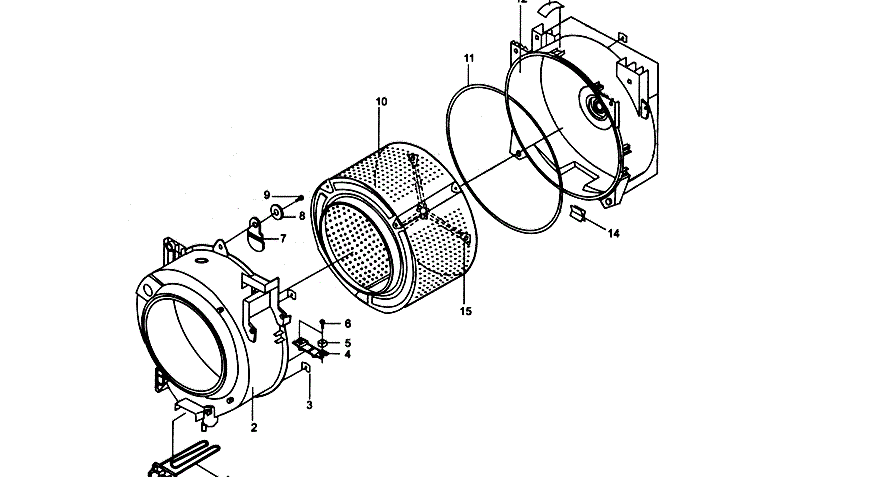
Tank and drum design
The drum is a cylindrical stainless steel container with multiple openings. One wall of the drum is missing, serving as a hatch through which clothes are loaded. On the opposite side is a threaded shaft that connects the container to the motor.
Inside the drum there are redans - plastic ribs, usually hollow inside. In some models, the redans are made with holes for better effect. Their job is to evenly distribute the laundry in the drum during washing, mix it and wash away dirt, replacing manual friction.
The tub is another cavity that encloses the drum. While the drum is always made of stainless steel, the tub can be made of either plastic or iron. Water and detergent enter the drum cavity by passing through the tub.
The tub is rarely a monolithic element. Most often, it consists of two welded halves, making the structure disassemblable. The drum and tub are connected by a pulley. The tub itself is secured inside the washing machine by retaining springs located at the bottom of the housing.
How is a drum constructed?
The washing machine drum is made exclusively from stainless steel. This choice is explained by the material's exceptional durability, corrosion resistance, and ability to withstand extreme operating conditions.
The holes in the drum's interior are designed to allow water and detergent to easily flow into the cavity from the drum, and then drain away the waste liquid. However, perforation, the official name for the surface, has negative consequences. Fabric fibers are damaged by the joints between the holes during washing, and during high-speed spinning, they are drawn inward due to centrifugal force, which also damages the garments.
Over time, washing machine manufacturers have become increasingly concerned with how to improve the drum surface to reduce wear and tear on laundry during the washing and spinning process. This is only possible if contact between the fabric and the drum is minimized.
Most of the drums in the most commonly used washing machines can be classified into one of several types.
- Perforated drums. These are the same drums with numerous holes that effectively clean clothes, but at the cost of some damage that ultimately shortens the lifespan of the items.
- Drip drums. Drums with droplet-shaped holes in the surface were first invented by Bosch washing machine manufacturers. The droplets, although gently sloping, protrude significantly into the drum. As a result, when the drum rotates favorably, the laundry comes into contact with the sloping side of the droplet and is less damaged. However, when the drum rotates in the opposite direction, the laundry gets caught on the sharp edge.

- "Pearl Drums." This type of perforation is more gentle. The holes in the drum are shaped like hemispheres, reminiscent of a scattering of pearls of varying sizes. As a result, the laundry comes into less contact with the holes and is less damaged.
- Honeycomb drums. This name has nothing to do with cell phones. In fact, it's related to the word "honeycomb," as the drum's interior is designed in the shape of convex hexagons. These protrusions protect the laundry from contact with the perforated part of the drum. The holes themselves are very small, which, combined with the honeycomb shape, minimizes damage to the laundry and prevents foreign objects from getting into the drum.
The conclusion is simple: the more convex and complex the drum surface texture, the more gentle the wash. A smooth drum surface is not conducive to cleaning, while an angular or rough texture damages fabrics.
Interesting:
Readers' comments
Headings
Washing machine repair
For buyers
For users
Dishwasher







Add a comment