Error F12 on the Atlant washing machine
Atlant washing machines assembled in Belarus, like other brands, are equipped with self-diagnostics. Error codes indicate malfunctions. In this article, we'll take a closer look at error F12, describe its causes, and what to do in this case.
Description and reasons for appearance
The manufacturer Atlant provides a rather lengthy explanation for error code F12: "Problem with engine operation." This wording suggests that the engine is broken, but an experienced mechanic will tell you it's not that simple. Various components related to engine operation can fail, which increases the complexity and cost. Atlant washing machine repair will be completely different. The following may fail:
- carbon brushes of an electric motor;
- wiring contacts;
- winding.
Error F12 on this brand's washing machine can occur not only due to motor malfunctions, but also due to the control board. If the component responsible for the motor burns out, the motor simply won't turn, and the wash cycle won't start.
Please note! The Atlant washing machine without a display will alert you to this malfunction by flashing the first and second indicator LEDs on the control panel.
Engine repair
In most cases, a commutator motor can be repaired, as its weak point is the carbon brushes, which wear out over time. Here are instructions for replacing the brushes:
- Remove the back of the machine by unscrewing several screws around the perimeter of the washing machine.
- Remove the drive belt from the engine shaft and drum pulley.
- Disconnect the connectors with wires from the engine.
- Using a 10 mm wrench, unscrew the 2 bolts that hold the engine in place.

- Remove the motor from the guides by pulling it towards you and pull it out of the machine.
- At the base of the motor you will see two brushes in metal housings, these need to be unscrewed.
- Replace the faulty brushes with new, similar ones and reassemble the machine.
Important! Use only genuine parts. Similar brushes purchased from dubious sources may contain not only graphite but also copper, which can damage the armature, meaning a complete motor replacement is necessary.
If the F12 error on your washing machine is not caused by the motor brushes, you need to check the integrity of the wires coming from the motor and their contacts. Oxidized contacts can be cleaned, and if the wire is faulty, it can be replaced. You need to test the wires with a multimeter sequentially and preferably several times to avoid missing anything.
It's extremely rare for the motor winding to burn out in automatic washing machines, but it's still worth checking. If the problem is confirmed, there's no point in thinking twice – replace the entire motor. Rewinding the winding isn't worth it; it won't be much cheaper than a new part, so look for the original part right away, unless you're considering replacing the washing machine entirely.
Control board repair
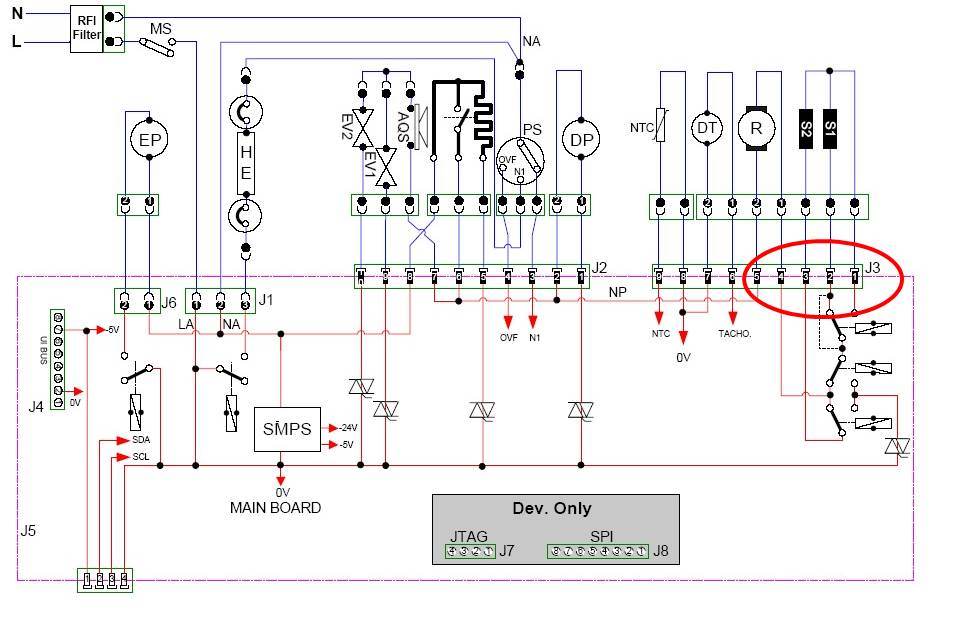
The electronic circuit board consists of various electronic components, including transistors, triacs, an oscillator, diodes, and others. Replacing these components is a daunting task for a novice, as you need to know exactly which component is responsible for what. Therefore, this type of work should be left to a professional. However, we don't discourage you from attempting repairs yourself; we suggest you familiarize yourself with the control board diagram for the Atlant washing machine, using the 50C82, 35M102, and 45U82 models as examples.

In this diagram, the J3 connector contacts for connecting the electric motor are circled in red. The stator winding is connected to contacts 2 and 3, with the center of the winding connected to contact 1. The rotor winding is connected to contacts 4 and 5. A powerful BTB16-600 triac (rated at 16 A) and a relay are responsible for controlling the drive motor. If an error occurs, these components are checked first. If faulty, they are replaced.
As you can see, your Atlant washing machine can display the F12 error for a variety of reasons. Not all of them should be resolved independently, as they require specific skills and tools. We hope this information was helpful. Good luck!
Interesting:
Readers' comments
Headings
Washing machine repair
For buyers
For users
Dishwasher







Add a comment