Error F3 in the Atlant washing machine
The Atlant washing machine isn't the most reliable appliance; according to service center statistics, breakdowns with this inexpensive brand are quite common. The machine alerts you to any internal component failure with a code, which can occur at any stage of the wash cycle. For example, the f3 error in an Atlant washing machine occurs regardless of the program, although the wash cycle may continue. What does this code mean, and how can it be fixed?
Explanation and reasons
The Atlant washing machine displays the F3 error code if the water in the drum is not heating. On machines without a display, the third and fourth drain indicators illuminate in this situation. The following are possible reasons why the water may not be heating:
- The most obvious and common one is a faulty heater. Over time, the heating element fails and burns out, and scale and limescale can be one of the causes;
- faulty wiring between the heater and the control module;
- failure of elements on the electronic module.
Replacing the heating element
Replace the heating element in Atlant washing machine Even a beginner can do it. There's nothing complicated about this job, the main thing is to buy the original part. It is best to do this after you have made sure that the heating element is faulty. Prepare a flat-head screwdriver and a wrench and get to work:
- turn off the tap supplying water to the machine tank;
- disconnect the equipment from the power supply, drain and water supply;
- Turn the machine towards you with the back side for ease of use;
- open the back panel by unscrewing the bolts around the perimeter;
- disconnect the wires from the heating element;
You can take a photo of the location of the wires to avoid making mistakes when connecting.
- check the serviceability of the part using a multimeter;
- After making sure that the heating element has burned out, use a wrench to unscrew the nut on the bolt and push the bolt inward; you can gently tap it with a hammer;

- Using a flat-head screwdriver, pry up the base of the heating element and remove it from the hole;
- install the new part, carefully adjusting the rubber seal with a screwdriver to heat it up and make sure it fits tightly into place;
- Assemble the machine and check how it works.
Checking electrical and electronic equipment
Once you've accessed the washing machine's heater and verified that the heating element is working, don't rush to reassemble the appliance. You can immediately begin checking the wires and their contacts. Use a multimeter to test each wire one by one. In some cases, the problem lies in corroded contacts; simply cleaning them will solve the problem.
The last thing to check when the F3 error appears is the electronic module. It's located at the bottom of the machine, near the back (but not on all models). As you can see, opening the back panel gives you access to three components: the heating element, the electrical system, and the module. Removing the module from the machine is easy; you just need to disconnect the connectors and wires. However, it's better to have this module tested by a technician than to try to find something you don't know.
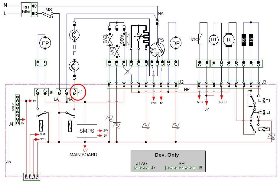
An experienced technician can easily locate a burned-out triac responsible for the heating element. But if you're curious about what it looks like, let's look at the example of the 521xx, 5522xx, and 5524xx boards for the Atlant washing machine. In the image below, pin 3 of connector J1 is marked in red; the heating element with a 6.35 mm terminal is connected to it.

Please note! The maximum power of the heating element installed on the Atlant washing machine is 2.2 kW at 230 V.
So, the first thing you need to check on the board is the J1 connector. If necessary, re-solder the component with a working one. However, we recommend entrusting this work to a specialist, especially if you've never encountered this before. Good luck!
Interesting:
Readers' comments
Headings
Washing machine repair
For buyers
For users
Dishwasher







Add a comment