Error F4 in the Atlant washing machine
The F4 error code on an Atlant washing machine appears at the most unexpected moment, mid-cycle, when it seems like your "home helper" is working perfectly, but in reality, a malfunction has occurred that needs immediate attention. Read this article to learn what the F4 error means, how to identify and fix its causes.
Let's decipher the code
Almost every one Atlant washing machine It has a fairly informative display that displays a specific error in the event of a malfunction, in our case, error F4. However, some models of this brand's "home assistants" lack a display, but do have a self-diagnostic system. This naturally raises the question: how can you recognize an F4 error if the machine simply has nowhere to display it?
This isn't quite the right question, and here's why. In this case, the Atlant washing machine displays an error message using the LED indicators located on the control panel. Specifically, in our case, you need to look at the bottom row of lights. The image below shows the Atlant washing machine's control panel without a display, displaying the F4 error code. Note that the "on/off" light and the second LED in the bottom row are illuminated.

Regardless of how the F4 code is displayed, its decoding is the same. The gist of it is as follows: there are problems with draining waste water from the tank. A more detailed explanation provides a list of possible causes for this error. Let's explore this list in the next section.
Why does this code appear?
The appearance of the F4 error may be associated with various types of breakdowns, including:
- blockage of the drainage system and in particular the drainage filter or drain hose;
If you clean your washing machine regularly and flush the drain filter regularly, the likelihood that the F4 code is caused by a blockage is low.
- pump malfunction, namely jamming of the impeller or malfunction of its electrical part;
- breakdown of electrical wires between the pump and the control module;
- control module failure (burnt out triac or resistor).
Eliminating the causes of the code's appearance
So, what this error means and the reasons for its occurrence are clear. Now let's figure out what to do in this situation and how to fix it. Start with the simplest steps: unplug the machine and inspect the drain hose for kinks. If you moved the machine the day before, it's quite possible you accidentally kinked the hose, preventing water from draining from the tank.
Next, check the drain filter, which is located behind a small door in the lower right corner. Unscrew the filter, placing rags or a shallow container under the machine. Rinse the part if necessary, and then replace it. That's all for the simplest steps. Get your tools ready: screwdrivers, pliers, and a multimeter. Now get started:
- disconnect the machine from the power supply, water and sewerage;
- drain the water from the tank if necessary through the filter hole;
- move the machine to a convenient location;
- turn the equipment over onto its left side, you can place a rag or an old blanket underneath it;

- from the bottom you will see a pump, you need to disconnect the connector with wires from it;
- then unscrew the three screws holding the pump and remove it from the machine;
- Install the new part and assemble the equipment.
Please note! Atlant washing machines typically use an Askoll series pump.
If the washing machine is displaying error F4 because of something other than the pump, use a multimeter and check the wires between the drain pump and the electronic module one by one. A broken wire will prevent the pump from starting, causing water to remain in the drum. This is a simple fix, but it may be beyond the capabilities of the average user. Keep in mind that electricians are trained in this field.
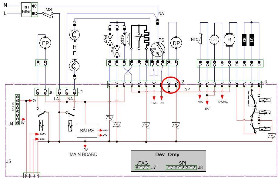
The electronic module is the last on the list of faults, firstly because it doesn't break down very often, and secondly because it's not easy to repair. To do this, you need special tools, a diagram of your washing machine's electronic module, and minimal knowledge of electronics. Let's give an example of a module of the board series 5521хх, 5522хх, 5523хх for the Atlant machine.

The drain pump's 230V, 0.3A synchronous motor is connected to pins 1 and 2 of connector J2, circled in red in the image above. The pump's operation is controlled by a 0.8A triac. These components and their contacts are checked first, along with the module itself, which is inspected for any other damage. Burnt-out components that need to be replaced may be visible.
Therefore, if the F4 code appears on your Atlant washing machine, you can repair it yourself, as in most cases, a faulty pump is the cause. This part can be replaced yourself, but in other cases, it's best to contact a professional. Good luck!
Interesting:
11 reader comments
Headings
Washing machine repair
For buyers
For users
Dishwasher







Thank you. I followed the instructions myself. The drain works again.
Thank you! My husband did everything thanks to you 🙂
Thanks for the detailed instructions!
It helped!
Thank you for the instructions, we fixed the problem ourselves!
Thanks for the step-by-step instructions. I fixed the problem, which was a blocked pump impeller (a rubber band had gotten caught on the blades). This prevented the impeller from rotating, preventing water from being pumped out of the washing machine's drum!
Thank you, everything is fine.
Thank you.
Thank you!
Thank you, your article was very helpful.
Thank you – everything is to the point! Very constructive!!!
It helped. I got the stone.