What is a triac in a washing machine?
When it comes to diagnosing a washing machine's control module, the term "triac" is often heard. For those unfamiliar with electrical engineering, this word is akin to a curse word and means nothing. However, this semiconductor is one of the first to suffer during malfunctions and breakdowns: it burns out and requires replacement. The triac in a washing machine is a key radio link, allowing the control board to transmit signals to sensors and other system components. Let's take a closer look at what it looks like and how it operates.
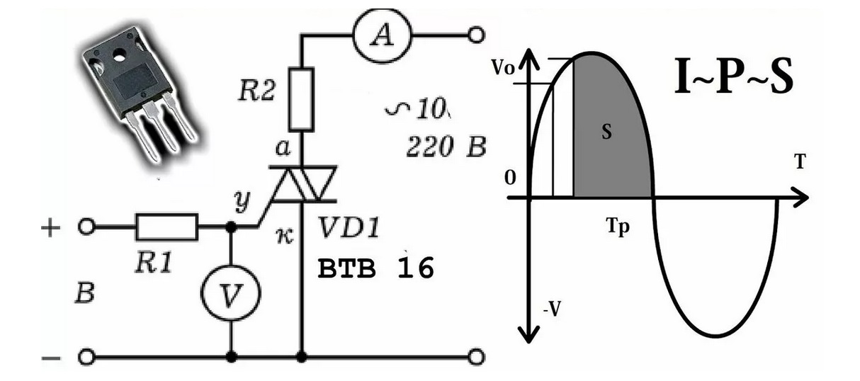
Triac and its application
A simistor, also called a "triac", is a special type of triode symmetrical thyristor. It is a small black plastic "box" with three power electrodes on one side and a shutter on the other. The advantage of this radioelement is its ability to conduct electric current across working “electron-hole” transitions in both directions.
Due to their excellent conductivity, triacs are widely used in AC voltage systems. Triacs are also used in washing machine circuit boards as current pulse transmitters. They enable the system to exchange information, transmitting commands from the machine's "brains" to specific components and sensors, and then back again.
Simistors are triode symmetrical thyristors capable of conducting current in both directions.
The operating principle and design of a triac are identical to any other thyristor. When a control current is applied to the mechanism, the p-n junction opens and closes only when the voltage drops to the specified operating level. This radio component has one drawback: its power electrodes are not interchangeable.
How does the part function?
The triac is responsible for receiving and transmitting voltage throughout the washing machine. Unlike a thyristor, it conducts current in both directions, acting like two back-to-back thyristors with a common control. This symmetry is what gave the device its name, "sim."
Semiconductor structure:
- power terminals designated "T1" and "T2";
- control electrode, marked "G".

As a result, we get five transitions, organized into two circuits, which are parallel thyristors. When negative polarity is formed on T1, the thyristor effect p2-n2-p1-n1 appears, and when it changes, p1-n2-p2-n3.
We check the part for functionality
You can test a triac for proper operation with or without a multimeter. For the latter, you'll need a flashlight bulb and an AA battery. Simply set up a circuit with a power source matching the bulb's voltage and the component's active terminals connected in series. Then apply current and observe the result—the light should come on. Next, without de-energizing the system, disconnect the battery and check the PN junctions for continuity:
- If the triac is working properly, the current will be maintained at a certain level, and the light bulb will continue to glow;
- If the triac burns out, the circuit will lose power supply and the lamp will go out.

You can test a triac without a battery or lamp. You'll need a multimeter set to "Buzzer" mode. Here are the instructions:
- we apply the probes to the contacts;
- look at the device display (if “1” – the triac is working properly).
A buzzer test will confirm that the p-n junction is not broken. In this case, the operating current will not start the system – the contact resistance will be too high, and the pulse will not reach the electrodes.
The second step is to check the junction's opening. Connect the control terminal to the anode. This will cause the multimeter to increase the operating current, causing the contact resistance to drop, and the triac to activate. The tester display will display a number other than one.
At the "finish," you'll need to open the control terminal. After disconnecting, the resistance should increase, and the multimeter display should again show "1." This means the triac is working properly.
Interesting:
Readers' comments
Headings
Washing machine repair
For buyers
For users
Dishwasher







Add a comment